Equilibrado térmico para agua caliente sanitaria con válvulas termostáticas
- Escrito por Idoia Arnabat CALORYFRIO
Para asegurar que el sistema de retorno de agua caliente sanitaria (en adelante, ACS) funcione eficiente y económicamente, es indispensable equilibrar el circuito de manera que todos los puntos a lo largo del sistema alcancen el caudal requerido para mantener la temperatura ideal. Tal y como se indica en el punto 6 del apartado 3.2.2.1 del Documento Básico DB HS4 del Código Técnico de la Edificación:
“6. En los montantes, debe realizarse el retorno desde su parte superior y por debajo de la última derivación particular. En la base de dichos montantes se dispondrán válvulas de asiento para regular y equilibrar hidráulicamente el retorno.”
Si no se alcanzara dicho equilibrado, las áreas más alejadas tardarían más en alcanzar la temperatura de consigna. Además, aquellas zonas que no alcancen dichas temperaturas tendrán mayor riesgo de proliferación de bacterias, tales como la Legionella.
Tradicionalmente, el equilibrado del circuito de ACS se ha realizado con válvulas de equilibrado estático. Debido a los bajos caudales requeridos para satisfacer la demandada de ACS en el circuito de retorno, el proceso ha dependido de la temperatura de retorno, medida con un termómetro de contacto y válvulas de equilibrado casi cerradas. Una manera de superar este escenario ha sido incrementar el caudal a niveles que puedan ser medibles por otros medios. Esto obliga al diseñador e instalador a trabajar con caudales apreciables, lo cual resulta en un incremento de volumen de circulación de agua. Esto deriva en un aumento en el dimensionamiento de la bomba, así como en gasto adicional de energía y de calor requerido para elevar la temperatura de agua.
El objetivo es equilibrar el agua del circuito para alcanzar la temperatura adecuada a lo largo de todo el circuito de retorno. La mejor forma de hacer esto es monitorizar la temperatura en cada ramal y, continuamente, aumentar o disminuir el caudal para alcanzar la temperatura deseada, reaccionando a la apertura de los diferentes puntos de suministro. Esto no es posible con válvulas tradicionales.
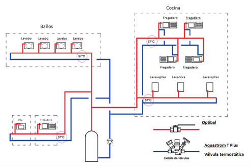
Las válvulas termostáticas están diseñadas para ofrecer este nivel de control. Estas válvulas miden la temperatura del agua cuando pasa a través del sensor y el caudal se ajusta de acuerdo a esta medida. Las válvulas vienen preajustadas por defecto o pueden ser ajustadas “in situ” a una temperatura deseada. Si la temperatura del agua medida es muy baja respecto a la temperatura ajustada, la válvula abrirá, permitiendo el paso de más agua caliente que incrementará la temperatura del retorno. Si la temperatura del agua medida es igual o superior a la temperatura ajustada, la válvula rápidamente reducirá el paso de agua caliente permitiendo la disipación del calor en el retorno. Es importante que cuando la válvula cierre, siempre permita la circulación de un caudal mínimo o residual. Es necesario que la válvula siempre permita el paso del agua a través del sensor para controlar la temperatura. Y, una consecuencia peor al cierre completo de la válvula, es que se pudiese producir un indeseable estancamiento de agua.
Utilizando estas válvulas, la circulación es monitorizada constantemente de manera mecánica y el agua de retorno provendrá de todas partes del sistema dependiendo de la demanda. El sistema se controla dinámicamente y provoca consecuentes variaciones de caudal necesarias para mantener la temperatura deseada, cosa que no sería posible con cualquier forma de medición en los ramales, ya que no tiene la misma frecuencia de mediciones. De esta manera se tiene equilibrado el circuito de retorno no siendo necesario colocar en los ramales otras válvulas de equilibrado estático o elementos de medición.

Cuando utilizamos válvulas termostáticas no se requiere un proceso de equilibrado, solo es necesario ajustar la temperatura deseada en cada válvula, siempre y cuando sea diferente de la que viene ajustada de fábrica por defecto.
Cuando se diseñan sistemas para evitar los brotes de Legionella, debe considerarse un método de desinfección del circuito de retorno de ACS. Es indispensable que todas las partes del sistema de ACS sean desinfectadas periódicamente elevando la temperatura de almacenamiento y distribución de agua, por encima de 70ºC, para exterminar las esporas de Legionella.
Para minimizar el periodo de alta temperatura requerido para la desinfección, es recomendable incrementar el caudal. Las válvulas termostáticas son capaces de reconocer la alta temperatura pasando a través del sensor, abriendo la válvula en modo “desinfección”. Para evitar que el agua caliente llegue solo a los circuitos hidráulicamente favorecidos, las válvulas termostáticas se cierran hasta el caudal residual una vez que han alcanzado los 70ºC. Con el fin de optimizar el proceso, se ha de monitorizar la temperatura en los puntos más alejados del sistema, de manera que pueda reducirse en el momento en el que se alcance la temperatura de desinfección en dicho punto.
El uso de válvulas termostáticas para control de temperatura durante el funcionamiento normal y en periodos de desinfección, garantiza la operación más económica y eficiente desde el punto de vista energético, de higiene y de confort.
¿Te ha resultado útil? Compártelo
Artículos relacionados
- Aumenta la eficiencia del sistema de climatización con Resideo
- Válvula de expansión termostática serie RFGC de SANHUA
- SANHUA: RFKH con diseño optimizado
- Diferencia entre equilibrado dinámico y estático
- Válvulas termostáticas Smart, la solución inteligente de Junkers Bosch para un mayor confort en los meses más fríos





